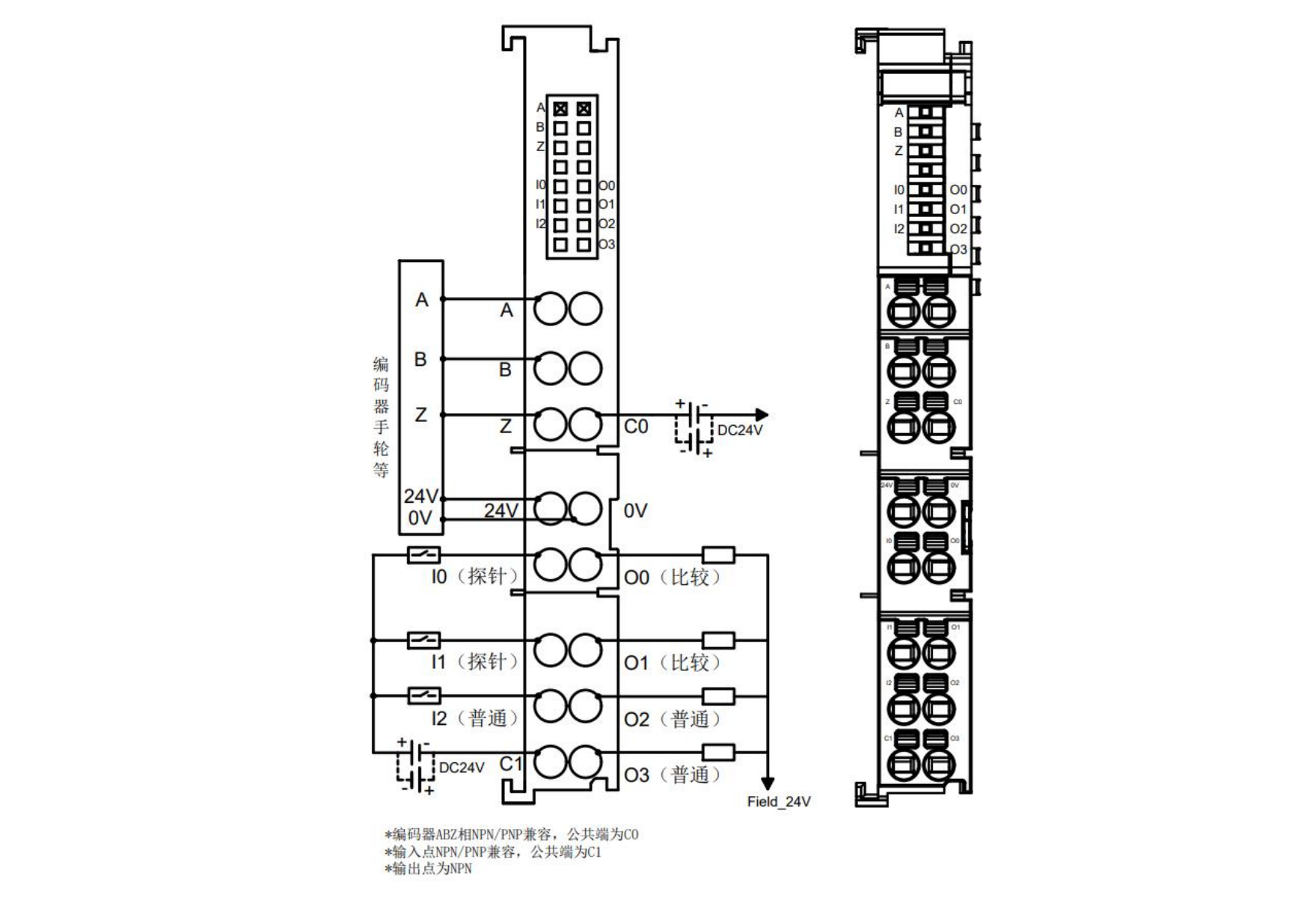
安装与接线


接线图